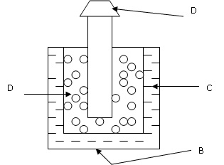
Question

i. State the polarities of A and B.
ii. Name the chemical substances in the parts labeled C and D
Answer
i)
A - positive
B - negative
ii)
C - Ammonium chloride paste
D - Carbon powder and manganese IV oxide.
A - positive
B - negative
ii)
C - Ammonium chloride paste
D - Carbon powder and manganese IV oxide.
